
Ref: EWTGUCE275
CE 275 Aéroséparation séparateur zigzag pour des mélanges de matières solides (Réf. 083.27500)
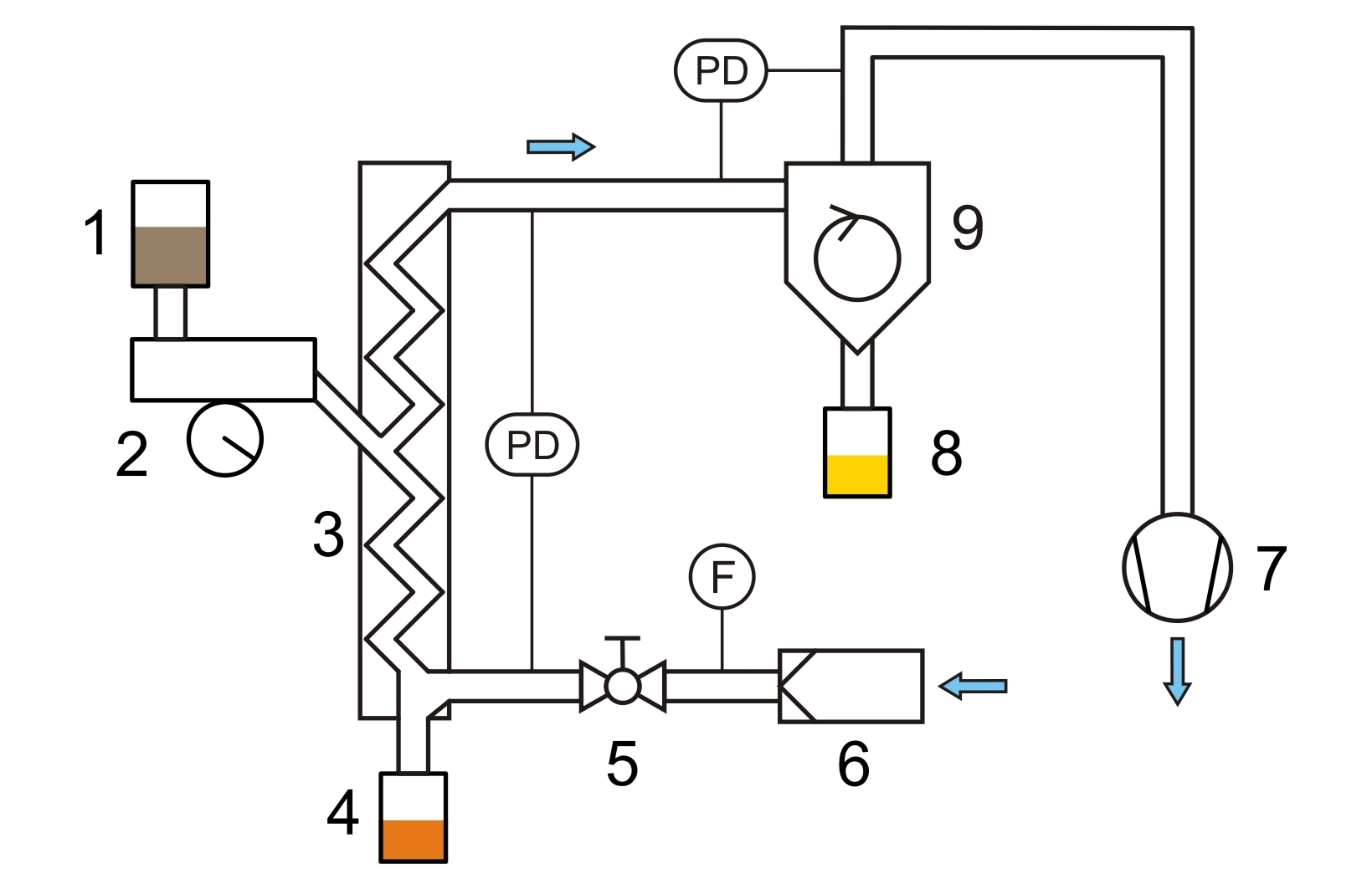
Les séparateurs zigzag permettent de classifier les mélanges de matières solides.
Le mélange de matières solides à séparer est versé dans lentonnoir d'alimentation.
Une auge vibrante amène le mélange au canal en zigzag du séparateur, à mi hauteur.
Un écoulement dair circule vers le haut dans le canal vertical.
Suivant leur forme et leur densité, les particules sont entraînées par l'écoulement dair ou tombent au fond sous leffet de la force de gravité.
A chaque coude du canal, le mélange de matières solides traverse l'écoulement dair et tombe sur la paroi opposée du séparateur.
Ceci correspond à un étage de séparation.
En raison des écoulements, il se forme un tourbillon entre deux coudes du zigzag, qui fait que la matière solide se déplace de façon approximativement perpendiculaire à l'écoulement dair.
Ainsi, une séparation à écoulement transversal se produit à chaque coude.
La succession de quatre de ces étages procure des séparations très poussées.
Le CE 275 est équipé dun canal en zigzag à 20 étages.
Le matériau transparent permet dobserver les processus qui se déroulent dans le canal.
L'écoulement dair est produit par un ventilateur.
Le débit volumétrique dair et le débit massique de matière solide sont ajustables.
Les fines particules entraînées vers le haut par l'écoulement dair sont séparées par un cyclone.
Des points de mesure de la pression aux endroits appropriés du banc d'essai permettent de mesurer les pertes de charge.
La charge d'alimentation recommandée est du charbon actif comportant différentes tailles de particules.
Lutilisation dune balance et dune tamiseuse (CE 264) est recommandée pour l'analyse granulométrique de la charge d'alimentation, des grosses particules et des fines particules.
Le mélange de matières solides à séparer est versé dans lentonnoir d'alimentation.
Une auge vibrante amène le mélange au canal en zigzag du séparateur, à mi hauteur.
Un écoulement dair circule vers le haut dans le canal vertical.
Suivant leur forme et leur densité, les particules sont entraînées par l'écoulement dair ou tombent au fond sous leffet de la force de gravité.
A chaque coude du canal, le mélange de matières solides traverse l'écoulement dair et tombe sur la paroi opposée du séparateur.
Ceci correspond à un étage de séparation.
En raison des écoulements, il se forme un tourbillon entre deux coudes du zigzag, qui fait que la matière solide se déplace de façon approximativement perpendiculaire à l'écoulement dair.
Ainsi, une séparation à écoulement transversal se produit à chaque coude.
La succession de quatre de ces étages procure des séparations très poussées.
Le CE 275 est équipé dun canal en zigzag à 20 étages.
Le matériau transparent permet dobserver les processus qui se déroulent dans le canal.
L'écoulement dair est produit par un ventilateur.
Le débit volumétrique dair et le débit massique de matière solide sont ajustables.
Les fines particules entraînées vers le haut par l'écoulement dair sont séparées par un cyclone.
Des points de mesure de la pression aux endroits appropriés du banc d'essai permettent de mesurer les pertes de charge.
La charge d'alimentation recommandée est du charbon actif comportant différentes tailles de particules.
Lutilisation dune balance et dune tamiseuse (CE 264) est recommandée pour l'analyse granulométrique de la charge d'alimentation, des grosses particules et des fines particules.
Contenu didactique / Essais
- apprentissage du principe de base de laéroséparation
- tri
-- fraction de fines particules et de grosses particules
-- qualité de séparation
- en fonction du débit massique de matière solide et du débit volumétrique dair
- classification (avec CE 264)
-- bilan de séparation
-- loi de répartition
-- diamètre de coupure
-- précision de séparation
- en fonction du débit massique de matière solide et du débit volumétrique dair
- pertes de charge
-- du séparateur zigzag
-- du cyclone en fonction du débit massique de matière solide et du débit volumétrique dair
Les grandes lignes
- aéroséparation avec un séparateur zigzag
- canal transparent pour lobservation du processus de séparation
- essais adaptés à lexpérimentation à léchelle du laboratoire
Les caractéristiques techniques
Auge vibrante
- débit massique: max. 10kg/h
- fréquence des oscillations: max. 3000min^-1^
Séparateur zigzag
- hauteur: env. 1500mm
- section: 40x50mm
Cyclone
- hauteur: 550mm
- diamètre: env. 150mm
Ventilateur
- débit volumétrique: max. 600m^3^/h
- puissance: env. 3600W
Réservoirs
- entonnoir d'alimentation: 3L
- grosses particules: 2L
- fines particules: 2L
Plages de mesure
- pressions différentielles cyclone et séparateur: 0...100mbar
- débit volumétrique (air): 10...100m^3^/h
230V, 50Hz, 1 phase
- apprentissage du principe de base de laéroséparation
- tri
-- fraction de fines particules et de grosses particules
-- qualité de séparation
- en fonction du débit massique de matière solide et du débit volumétrique dair
- classification (avec CE 264)
-- bilan de séparation
-- loi de répartition
-- diamètre de coupure
-- précision de séparation
- en fonction du débit massique de matière solide et du débit volumétrique dair
- pertes de charge
-- du séparateur zigzag
-- du cyclone en fonction du débit massique de matière solide et du débit volumétrique dair
Les grandes lignes
- aéroséparation avec un séparateur zigzag
- canal transparent pour lobservation du processus de séparation
- essais adaptés à lexpérimentation à léchelle du laboratoire
Les caractéristiques techniques
Auge vibrante
- débit massique: max. 10kg/h
- fréquence des oscillations: max. 3000min^-1^
Séparateur zigzag
- hauteur: env. 1500mm
- section: 40x50mm
Cyclone
- hauteur: 550mm
- diamètre: env. 150mm
Ventilateur
- débit volumétrique: max. 600m^3^/h
- puissance: env. 3600W
Réservoirs
- entonnoir d'alimentation: 3L
- grosses particules: 2L
- fines particules: 2L
Plages de mesure
- pressions différentielles cyclone et séparateur: 0...100mbar
- débit volumétrique (air): 10...100m^3^/h
230V, 50Hz, 1 phase
Informations logistiques
Dimensions et poids
Lxlxh: 1660x790x1930mm (banc d'essai)
Poids: env. 180kg (banc d'essai)
Lxlxh: 660x510x880mm (ventilateur)
Poids: env. 30kg (ventilateur)
Liste de livraison
1 banc dessai
1 ventilateur
2 emballages de charge dalimentation
1 jeu daccessoires
1 documentation didactique
Lxlxh: 1660x790x1930mm (banc d'essai)
Poids: env. 180kg (banc d'essai)
Lxlxh: 660x510x880mm (ventilateur)
Poids: env. 30kg (ventilateur)
Liste de livraison
1 banc dessai
1 ventilateur
2 emballages de charge dalimentation
1 jeu daccessoires
1 documentation didactique
Techniques > Génie des Procédés > Génie des procédés mécaniques > Procédés de séparation: classification et tri
Techniques > Energie Environnement > Environnement > Déchets
Poids: 210 Kg Delai de livraison estimé : 16 semaines



