
Ref: EWTGUCE402
CE 402 Absorption de gaz avec analyse de gaz continue, API avec IHM, logiciel (Réf. 083.40200)
Séparation d’un mélange dioxyde de carbone-air par absorption à contre-courant
![]()
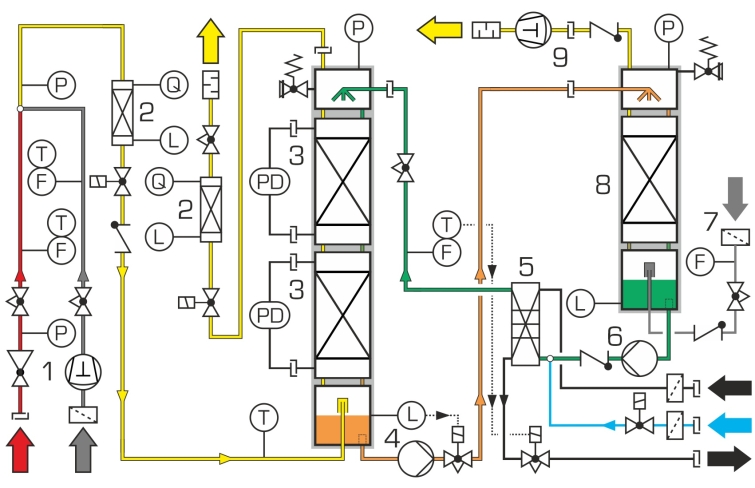
Labsorption sert à la séparation dun ou de plusieurs composants gazeux dun écoulement de gaz à laide dun solvant.
On forme dabord un mélange gazeux de CO2 et dair.
Le rapport de mélange est ajusté par des soupapes.
Un compresseur transporte le mélange gazeux par le bas dans la colonne dabsorption.
La séparation dune partie du CO2 a lieu dans la colonne à contre-courant avec le solvant (eau).
Pour séparer le CO2 absorbé dans leau, leau chargée est transférée de la partie inférieure de la colonne dabsorption vers la colonne de stripage.
Un compresseur est raccordé à la colonne de stripage (côté daspiration).
Un débit dair important à contre-courant de leau chargée est généré par la dépression créée.
Lair absorbe le CO2 de leau lors du stripage.
Une pompe refoule le solvant ainsi régénéré dans la colonne dabsorption.
Dans la conduite de retour, un échangeur de chaleur est traversé.
En combinaison avec une alimentation externe en eau de refroidissement, la température du solvant peut être abaissée.
Les teneurs en CO2 en amont et en aval de la colonne, les débits de gaz et deau, les températures et les pressions pertinentes sont enregistrés en continu.
La colonne dabsorption en deux parties est équipée de 2 capteurs de pression différentielle pour la saisie des pertes de charge.
La commande du banc dessai est effectuée avec un API intégré via écran tactile.
Grâce à un routeur intégré, le banc dessai peut être alternativement commandé et exploité par un dispositif terminal. Linterface utilisateur peut également être affichée sur des terminaux supplémentaires (screen mirroring). Via lAPI, les valeurs de mesure peuvent être enregistrées en interne.
Laccès aux valeurs de mesure enregistrées est possible à partir des terminaux via WLAN avec routeur intégré/ connexion LAN au réseau propre au client.
On forme dabord un mélange gazeux de CO2 et dair.
Le rapport de mélange est ajusté par des soupapes.
Un compresseur transporte le mélange gazeux par le bas dans la colonne dabsorption.
La séparation dune partie du CO2 a lieu dans la colonne à contre-courant avec le solvant (eau).
Pour séparer le CO2 absorbé dans leau, leau chargée est transférée de la partie inférieure de la colonne dabsorption vers la colonne de stripage.
Un compresseur est raccordé à la colonne de stripage (côté daspiration).
Un débit dair important à contre-courant de leau chargée est généré par la dépression créée.
Lair absorbe le CO2 de leau lors du stripage.
Une pompe refoule le solvant ainsi régénéré dans la colonne dabsorption.
Dans la conduite de retour, un échangeur de chaleur est traversé.
En combinaison avec une alimentation externe en eau de refroidissement, la température du solvant peut être abaissée.
Les teneurs en CO2 en amont et en aval de la colonne, les débits de gaz et deau, les températures et les pressions pertinentes sont enregistrés en continu.
La colonne dabsorption en deux parties est équipée de 2 capteurs de pression différentielle pour la saisie des pertes de charge.
La commande du banc dessai est effectuée avec un API intégré via écran tactile.
Grâce à un routeur intégré, le banc dessai peut être alternativement commandé et exploité par un dispositif terminal. Linterface utilisateur peut également être affichée sur des terminaux supplémentaires (screen mirroring). Via lAPI, les valeurs de mesure peuvent être enregistrées en interne.
Laccès aux valeurs de mesure enregistrées est possible à partir des terminaux via WLAN avec routeur intégré/ connexion LAN au réseau propre au client.
Contenu didactique / Essais
- étude dun processus de séparation avec absorption et régénération
- absorption dun composant gazeux dans une colonne à garnissage à contre-courant
- détermination des pertes de charge dans la colonne
- représentation du processus dabsorption dans le diagramme déquilibre
- étude des grandeurs dinfluence sur labsorption
débit de solvant
débit de gaz
teneur en CO2
débit de gaz de stripage
- étude de différents garnissages dans la colonne dabsorption
anneaux Pall
anneaux Raschig
- screen mirroring: mise en miroir de linterface utilisateur sur des terminaux
navigation dans le menu indépendante de la surface affichée sur lécran tactile
différents niveaux dutilisateurs sélectionnables sur le terminal: pour lobservation des essais ou
pour la commande et lutilisation
- étude dun processus de séparation avec absorption et régénération
- absorption dun composant gazeux dans une colonne à garnissage à contre-courant
- détermination des pertes de charge dans la colonne
- représentation du processus dabsorption dans le diagramme déquilibre
- étude des grandeurs dinfluence sur labsorption
débit de solvant
débit de gaz
teneur en CO2
débit de gaz de stripage
- étude de différents garnissages dans la colonne dabsorption
anneaux Pall
anneaux Raschig
- screen mirroring: mise en miroir de linterface utilisateur sur des terminaux
navigation dans le menu indépendante de la surface affichée sur lécran tactile
différents niveaux dutilisateurs sélectionnables sur le terminal: pour lobservation des essais ou
pour la commande et lutilisation
Techniques > Energie Environnement > Environnement > Air: procédés physiques / chimiques
Techniques > Génie des Procédés > Génie des Procédés Thermiques > Absorption et adsorption
Poids: 260 Kg Delai de livraison estimé : 16 semaines






