
Ref: EWTGUCE640
CE 640 Pilote de production biotechnique d’éthanol, piloté par API (Réf. 083.64000)
Nécessite générateur de vapeur CE715.01. Avec interface PC USB et logiciel inclus
Mise à part sa grande importance pour les industries alimentaire et chimique, léthanol (alcool) est de plus en plus utilisé comme carburant.
Le CE 640 permet détudier la production déthanol proche de la réalité à partir de matières premières contenant de lamidon, comme par ex. les pommes de terre.
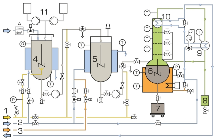
Linstallation dessai comprend trois principaux composants: un réservoir contenant le moût, un réservoir de fermentation et une unité de distillation.
Le réservoir contenant le moût est rempli dun mélange deau, de pommes de terre prédécoupées mécaniquement et dalpha-amylase (enzymes).
De la vapeur de chauffe est injectée par une buse dans le mélange pour dégrader les chaînes damidon denses des pommes de terre (mise en pâte).
La résistance à lécoulement du moût augmente alors, ce qui pourrait gêner la suite du processus.
Lalpha-amylase diminue la résistance à lécoulement en séparant les chaînes damidon (fluidification).
La gluco-amylase est utilisée pour converser lamidon en sucre (saccharification).
Ces enzymes nécessitent des températures et des pH plus faibles.
La température est atteinte par le refroidissement par leau côté enveloppe du réservoir contenant le moût, lajustage du pH par adjonction dacide et de lessive.
Après saccharification, le moût est pompé dans le réservoir de fermentation.
Le processus de fermentation produit de léthanol dans ce réservoir.
Un refroidissement par eau règle la température.
Après le processus de fermentation, le moût est pompé dans le bas de colonne de lunité de distillation.
Celle-ci est équipée dune colonne à plateaux à cloches pour la séparation de léthanol.
Deux réservoirs sont disponibles pour léthanol séparé et la vinasse.
Le CE 640 possède de nombreuses fonctions de mesure, de régulation et de commande, le tout piloté par API via écran tactile.
Grâce à un routeur intégré, linstallation peut être alternativement commandée et exploitée par un dispositif terminal. Linterface utilisateur peut également être affichée sur des terminaux supplémentaires (screen mirroring).
Via lAPI, les valeurs de mesure peuvent être enregistrées en interne.
Laccès aux valeurs de mesure enregistrées est possible à partir des terminaux via WLAN avec routeur intégré/ connexion LAN au réseau propre au client.
La alimentation de vapeur est assurée du réseau du laboratoire ou un générateur de vapeur électrique (CE 715.01) qui est disponible en option.
Le CE 640 permet détudier la production déthanol proche de la réalité à partir de matières premières contenant de lamidon, comme par ex. les pommes de terre.
Linstallation dessai comprend trois principaux composants: un réservoir contenant le moût, un réservoir de fermentation et une unité de distillation.
Le réservoir contenant le moût est rempli dun mélange deau, de pommes de terre prédécoupées mécaniquement et dalpha-amylase (enzymes).
De la vapeur de chauffe est injectée par une buse dans le mélange pour dégrader les chaînes damidon denses des pommes de terre (mise en pâte).
La résistance à lécoulement du moût augmente alors, ce qui pourrait gêner la suite du processus.
Lalpha-amylase diminue la résistance à lécoulement en séparant les chaînes damidon (fluidification).
La gluco-amylase est utilisée pour converser lamidon en sucre (saccharification).
Ces enzymes nécessitent des températures et des pH plus faibles.
La température est atteinte par le refroidissement par leau côté enveloppe du réservoir contenant le moût, lajustage du pH par adjonction dacide et de lessive.
Après saccharification, le moût est pompé dans le réservoir de fermentation.
Le processus de fermentation produit de léthanol dans ce réservoir.
Un refroidissement par eau règle la température.
Après le processus de fermentation, le moût est pompé dans le bas de colonne de lunité de distillation.
Celle-ci est équipée dune colonne à plateaux à cloches pour la séparation de léthanol.
Deux réservoirs sont disponibles pour léthanol séparé et la vinasse.
Le CE 640 possède de nombreuses fonctions de mesure, de régulation et de commande, le tout piloté par API via écran tactile.
Grâce à un routeur intégré, linstallation peut être alternativement commandée et exploitée par un dispositif terminal. Linterface utilisateur peut également être affichée sur des terminaux supplémentaires (screen mirroring).
Via lAPI, les valeurs de mesure peuvent être enregistrées en interne.
Laccès aux valeurs de mesure enregistrées est possible à partir des terminaux via WLAN avec routeur intégré/ connexion LAN au réseau propre au client.
La alimentation de vapeur est assurée du réseau du laboratoire ou un générateur de vapeur électrique (CE 715.01) qui est disponible en option.
Contenu didactique / Essais
- apprentissage des différentes étapes et des composants de linstallation nécessaires pour la production déthanol
mise en pâte par injection de vapeur
fluidification par utilisation dalpha-amylase
saccharification par utilisation de gluco-amylase
fermentation: conversion du sucre en éthanol par cultures de levures dans des conditions anaérobies
distillation: séparation de léthanol du moût
- screen mirroring: mise en miroir de linterface utilisateur sur des terminaux
navigation dans le menu indépendante de la surface affichée sur lécran tactile
différents niveaux dutilisateurs sélectionnables sur le terminal:
pour lobservation des essais ou pour la commande et lutilisation
- apprentissage des différentes étapes et des composants de linstallation nécessaires pour la production déthanol
mise en pâte par injection de vapeur
fluidification par utilisation dalpha-amylase
saccharification par utilisation de gluco-amylase
fermentation: conversion du sucre en éthanol par cultures de levures dans des conditions anaérobies
distillation: séparation de léthanol du moût
- screen mirroring: mise en miroir de linterface utilisateur sur des terminaux
navigation dans le menu indépendante de la surface affichée sur lécran tactile
différents niveaux dutilisateurs sélectionnables sur le terminal:
pour lobservation des essais ou pour la commande et lutilisation
Techniques > Génie des Procédés > Génie des Procédés Biologiques
Techniques > Energie Environnement > Biomasse > Transformation de la biomasse
Poids: 500 Kg Delai de livraison estimé : 16 semaines






CE-640-Production-biotechnique-ethanol
