
Ref: EWTGUWL110-V2
WL 110-V2 Unité d'alimentation pour échangeurs de chaleur avec API et IHM (Réf. 060.11000)
Nécessite 1 échangeur WL110.01, 02, 03 ,04 , 05, avec interface PC et logiciel inclus
![]()
Les deux écoulements de matières nentrent pas directement en contact lors de cette opération.
Un transfert de chaleur efficace est la condition requise pour des processus rentables.
Dans la pratique, on utilise donc, selon les besoins, différents types déchangeurs de chaleur.
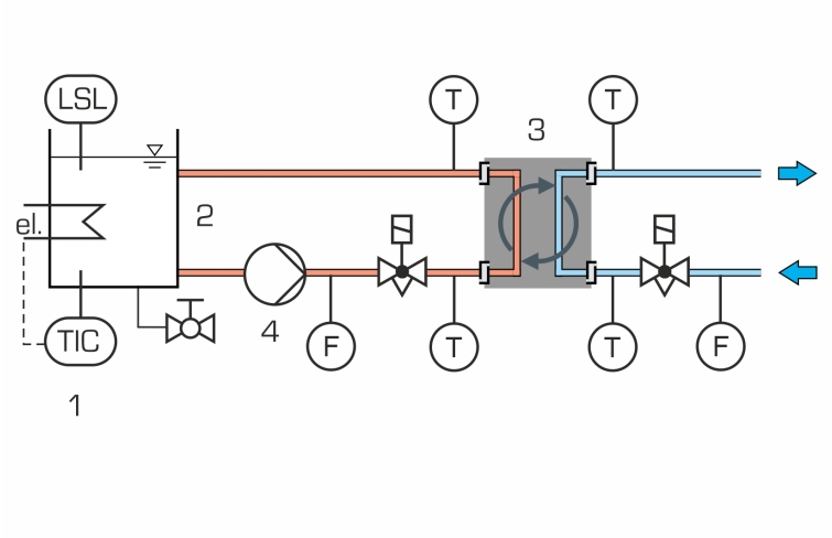
La fonction principale de la WL 110 est la mise à disposition des circuits deau froide et deau chaude nécessaires.
Lunité dalimentation est équipée à cet effet dun réservoir chauffé et dune pompe pour le circuit deau chaude, et de raccords pour le circuit deau froide.
Le circuit deau froide peut être alimenté par le réseau du laboratoire ou le générateur deau froide WL 110.20.
La technologie de commande et de régulation ainsi que les systèmes de communication sont fournis par WL 110.
Différents types déchangeurs de chaleur sont disponibles comme accessoires optionnels.
Les accessoires se positionnent facilement et en toute sécurité sur la surface de travail du WL 110.
Lunité dalimentation identifie laccessoire respectif grâce à une interface RFID électronique sans contact, sélectionne automatiquement le logiciel approprié dans lAPI et effectue la configuration automatique du système.
Lopération seffectue via un écran tactile.
Grâce à un routeur intégré, lunité expérimentale peut également être exploitée et contrôlée par un terminal.
Linterface utilisateur peut être commandée et exploitée par un dispositif terminal et linterface utilisateur peut être affichée sur 10 terminaux au maximum („screen mirroring).
Linterface utilisateur comprend une préparation guidée de lexpérience, des modules dapprentissage avec des bases théoriques ainsi quun affichage graphique des valeurs mesurées.
Pour le suivi des expériences, jusquà 10 postes de travail externes peuvent être utilisés simultanément en utilisant le réseau local via une connexion LAN.
Via lAPI, les valeurs de mesure peuvent être enregistrées en interne.
Laccès aux valeurs de mesure enregistrées est possible à partir des terminaux via WLAN avec routeur intégré/ connexion LAN au réseau propre au client.
- avec un échangeur de chaleur (WL 110.01 à WL 110.05)
enregistrement des profils de température
détermination du coefficient global moyen de transfert de chaleur
comparaison de différents types déchangeurs de chaleur
- logiciel API avec des contenus adaptés aux différents accessoires avec
info: description de lappareil et module dapprentissage avec principes théoriques de base
préparation de lessai: montage expérimental guidé
aperçu de lessai: enregistrement digital des valeurs de mesure avec affichage graphique
prendre des captures décran
enregistrement de captures décran
accès aux données de mesure stockées à partir des terminaux
screen mirroring: mise en miroir de linterface utilisateur sur 10 terminaux maximum
navigation dans le menu indépendante de la surface affichée sur lécran tactile
Ref: EWTGUWL110.01-V2
WL 110.01-V2 Échangeur de chaleur coaxial transparent pour WL 110 (Réf. 060.11001)
Avec point de mesure température à mi-course, courant parallèle, contre-courant
Ref: EWTGUWL110.02-V2
WL 110.02-V2 Échangeur de chaleur à plaques pour WL 110 (Réf. 060.11002)
Fonctionnant avec courant parallèle et contre-courant
Ref: EWTGUWL110.03-V2
WL 110.03-V2 Échangeur de chaleur à faisceau tubulaire pour WL 110 (Réf. 060.11003)
Fonctionnant avec courant parallèle croisé et contre-courant croisé
Ref: EWTGUWL110.04-V2
WL 110.04-V2 Échangeur de chaleur à double enveloppe pour WL 110 (Réf. 060.11004)
Chauffage via l’enveloppe ou via le serpentin, agitateur permettant un meilleur mélange du fluide
Ref: EWTGUWL302
WL 302 Banc d'essai pour échangeur de chaleur coaxial (Réf. 060.30200)
Avec interface PC USB et logiciel inclus






