
Ref: EWTGURT624
RT 624 Banc de régulation de débit avec régulateur industriel (Réf. 080.62400)
Déconnexion possible du régulateur interne pour utiliser un régulateur externe, mesure par fiche 4mm
L'appareil d'essai constitue une introduction expérimentale étendue aux principes de base de la technique de régulation à l'exemple d'une régulation de débit.
Tous les composants sont montés de manière claire sur un panneau vertical.
Le grand schéma de processus facilite la compréhension.
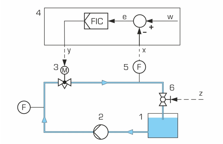
Une pompe transporte de l'eau d'un réservoir d'alimentation dans la section de tuyau.
La mesure de débit se fait à l'aide d'un capteur à roue-hélice.
Grâce au rotamètre transparent, le processus de réglage est très facile à observer.
Comme régulateur, on utilise un régulateur numérique industriel moderne.
L'organe de régulation de la boucle de régulation est une vanne de réglage électrique.
Un robinet à tournant sphérique dans la section de tuyau permet de générer des grandeurs perturbatrices définies.
La grandeur réglée X et la grandeur réglante Y peuvent être prélevées comme signaux analogiques sur des connecteurs de laboratoire.
De la sorte, on peut raccorder des enregistreurs externes tels qu'un enregistreur ou un oscilloscope.
Comme accessoire, un logiciel de mesure, de commande et de régulation (RT 650.40) est disponible avec module d'interface (USB).
Ceci permet de représenter les principales grandeurs de processus ainsi que d'exécuter des fonctions de régulation et de commande.
Tous les composants sont montés de manière claire sur un panneau vertical.
Le grand schéma de processus facilite la compréhension.
Une pompe transporte de l'eau d'un réservoir d'alimentation dans la section de tuyau.
La mesure de débit se fait à l'aide d'un capteur à roue-hélice.
Grâce au rotamètre transparent, le processus de réglage est très facile à observer.
Comme régulateur, on utilise un régulateur numérique industriel moderne.
L'organe de régulation de la boucle de régulation est une vanne de réglage électrique.
Un robinet à tournant sphérique dans la section de tuyau permet de générer des grandeurs perturbatrices définies.
La grandeur réglée X et la grandeur réglante Y peuvent être prélevées comme signaux analogiques sur des connecteurs de laboratoire.
De la sorte, on peut raccorder des enregistreurs externes tels qu'un enregistreur ou un oscilloscope.
Comme accessoire, un logiciel de mesure, de commande et de régulation (RT 650.40) est disponible avec module d'interface (USB).
Ceci permet de représenter les principales grandeurs de processus ainsi que d'exécuter des fonctions de régulation et de commande.
Contenu didactique / Essais
- principes de base de la technique de régulation
- composants industriels actuels de la technique de régulation: régulateurs, transducteurs de mesure, composants de réglage
- commande et paramétrage d'un régulateur numérique moderne à grand spectre de fonctions: p. ex. paramétrage comme régulateur P, PI et PID
- étude de la réponse aux perturbations et du comportement de pilotage
- influence de différents paramètres de régulateur sur la stabilité et la qualité de régulation
- étude des caractéristiques de la boucle de régulation ouverte et fermée
- traitement ultérieur de grandeurs de processus avec des appareils externes tels que p. ex. un enregistreur ou un oscilloscope
- avec l'accessoire RT 650.40: apprentissage et application d'un logiciel de mesure, de commande et de régulation
Les grandes lignes
- introduction expérimentale à la technique de régulation: exemple d'une régulation de débit
- montage du système à l'aide de composants usuels dans l'industrie
- régulateur numérique dont les paramètres peuvent être choisis librement: P, I, D et toutes les combinaisons
- logiciel optionnel de mesure, de commande et de régulation RT 650.40 via USB
- principes de base de la technique de régulation
- composants industriels actuels de la technique de régulation: régulateurs, transducteurs de mesure, composants de réglage
- commande et paramétrage d'un régulateur numérique moderne à grand spectre de fonctions: p. ex. paramétrage comme régulateur P, PI et PID
- étude de la réponse aux perturbations et du comportement de pilotage
- influence de différents paramètres de régulateur sur la stabilité et la qualité de régulation
- étude des caractéristiques de la boucle de régulation ouverte et fermée
- traitement ultérieur de grandeurs de processus avec des appareils externes tels que p. ex. un enregistreur ou un oscilloscope
- avec l'accessoire RT 650.40: apprentissage et application d'un logiciel de mesure, de commande et de régulation
Les grandes lignes
- introduction expérimentale à la technique de régulation: exemple d'une régulation de débit
- montage du système à l'aide de composants usuels dans l'industrie
- régulateur numérique dont les paramètres peuvent être choisis librement: P, I, D et toutes les combinaisons
- logiciel optionnel de mesure, de commande et de régulation RT 650.40 via USB
Caractéristiques techniques
Réservoir d'alimentation
- en acier inoxydable
- volume: 15L
Pompe à 3 étages
- puissance absorbée: 90W
- débit de refoulement max.: 83L/min
- hauteur de refoulement max.: 6m
Capteur à roue-hélice: 3...50L/min
Vanne de réglage électrique: Kvs: 5,7m^3^/h
Régulateur: paramétrable en régulateur P, PI ou PID
Grandeurs de processus comme signaux analogiques: 0...10V
Raccordement d'appareils d'enregistrement externes (p. ex. oscilloscope, enregistreur) possible via connecteurs de laboratoire
230V, 50Hz, 1 phase
Réservoir d'alimentation
- en acier inoxydable
- volume: 15L
Pompe à 3 étages
- puissance absorbée: 90W
- débit de refoulement max.: 83L/min
- hauteur de refoulement max.: 6m
Capteur à roue-hélice: 3...50L/min
Vanne de réglage électrique: Kvs: 5,7m^3^/h
Régulateur: paramétrable en régulateur P, PI ou PID
Grandeurs de processus comme signaux analogiques: 0...10V
Raccordement d'appareils d'enregistrement externes (p. ex. oscilloscope, enregistreur) possible via connecteurs de laboratoire
230V, 50Hz, 1 phase
Informations logistiques
Dimensions et poids
Lxlxh: 1000x500x1070mm
Poids: env. 72kg
Liste de livraison
1 appareil dessai
1 jeu de câbles de laboratoire
1 documentation didactique
Lxlxh: 1000x500x1070mm
Poids: env. 72kg
Liste de livraison
1 appareil dessai
1 jeu de câbles de laboratoire
1 documentation didactique
Techniques > Maintenance - Productique > Régulation > Bases de la régulation - Systèmes industriels
Techniques > Génie des Procédés > Pilotes simples en génie des procédés > Systèmes industriels de régulation
Techniques > Régulation > Bases de la régulation > Régulation de niveau / débit
Poids: 72 Kg Delai de livraison estimé : 16 semaines



